- Главная
- Комплектующие
- Точные измерения и контроль процесса обработки
- Датчики для станков
- Прецизионная съёмная рука HPGA RENISHAW
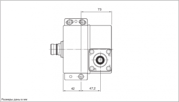
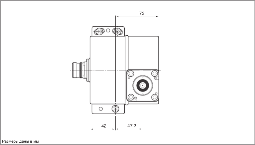
Прецизионная съёмная рука HPGA RENISHAW
Артикул A-5616-0401
Для токарных, многоцелевых и шлифовальных станков.
Проводная передача сигнала.
Датчик LP2 или MP250.
Повторяемость 3,0 мкм.
ООО «Эффективное производство» - официальный партнер компании RENISHAW в России
Автоматическая прецизионная рука для бесконтактной наладки режущего инструмента на производственном оборудовании для обработки деталей с ЧПУ. При каждом автоматическом позиционировании запатентованная система точного базирования фиксирует щуп с высокой стабильностью. Обеспечивает стабильную повторяемость трехкоординатных измерений, которая многократно усиливается в паре с тензометрическим датчиком MP250 и технологией Rengage™. Передовое уплотнение SwarfStop™ делает возможной непрерывную эксплуатацию в сложных производственных средах.
Преимущества съемной руки HPGA RENISHAW
- Универсальность применения — измерение инструмента и контроль геометрии деталей.
- Высочайшая точность — повторяемость 3,00 мкм (2σ) по трем осям.
- Максимальная стабильность многокоординатных измерений с датчиками LP2 и MP250 (Rengage™).
- Ускорение наладки до 90% — экономия времени и рост загрузки станка.
- Защищенность от агрессивных сред — стружка, СОЖ, масляные пары.
- Гибкость конфигурации — взаимозаменяемые руки и кабели.
- Контроль процесса — снижение брака и повышение качества продукции.
- Рост прибыли — сокращение простоев и увеличение выпуска.
- Универсальная совместимость — интерфейсы TSI 3, TSI 3-C, HSI
Технология Rengage™
При использовании с тензометрическим датчиком MP250 система HPGA обеспечивает:
- Высокоточные измерения благодаря технологии Rengage™.
- Улучшенную стабильность по нескольким координатным осям.
- Возможность измерения оснастки, а также деталей
Система уплотнения SwarfStop™
Инновационная конструкция уплотнения обеспечивает:
- Защиту от проникновения металлической стружки.
- Надежную работу в условиях высокой концентрации СОЖ и масляных паров.
Увеличенный срок службы механизма в агрессивных производственных средах.
|
Параметр |
Значение |
|
Исполнение |
Стандартное с выходом кабеля «в станок» / Стандартное с выходом кабеля сбоку |
|
Основное назначение |
Контроль геометрии инструмента и деталей, диагностика поломок режущей оснастки на токарном и шлифовальном оборудовании с ЧПУ |
|
Способ передачи сигнала |
Проводная передача сигналов |
|
Датчик |
LP2 или MP250 (Rengage™) |
|
Совместимые интерфейсы |
TSI 3 / TSI 3-C и HSI |
|
Кабель (к интерфейсу) — для LP2 |
Ø 5,9 мм, 8-жильный экранированный кабель, каждая жила: 32×0,1 мм |
|
Кабель (к интерфейсу) — для MP250 |
Ø 5,8 мм, две витые пары, экранированные, две отдельные жилы, каждая жила с изоляцией: 18×0,1 мм |
|
Длина кабеля (LP2) |
1,5 м, 3 м, 5 м, 10 м |
|
Длина кабеля (MP250) |
2 м, 5 м, 10 м |
|
Направления измерений |
±X, ±Y, +Z |
|
Стандартная повторяемость позиционирования |
3,00 мкм (2σ) по всем трем осям |
|
Усилие срабатывания щупа |
Зависит от используемого датчика (LP2 или MP250) |
|
Угол поворота руки |
90° (стандартный случай) |
|
Класс защиты |
IPX8 (EN/IEC 60529) |
|
Монтаж |
Болты M8, 3 шт. |
|
Рабочая температура |
Эксплуатация: от +5 до +55 °C |
Для заказов на сумму более 50 000 руб. доставка включена в стоимость.
В других случаях рассчитывается исходя из веса отправления и региона доставки.
Возможна доставка любой удобной для заказчика ТК
Сроки доставки от 1 до 3 дней по Центральному региону
По умолчанию мы работаем с двумя курьерскими компаниями:
Major — российская компания, занимающаяся продажей автомобилей и перевозками грузов. Крупнейший, наряду с «Рольфом», автодилер страны.
DPDgroup — международная служба экспресс-доставки. В среднем ежедневно доставляет более 5 миллионов посылок. Работает под торговой марками DPD.
Это наши проверенные партнеры. Однако если вы предпочитаете работать с другой курьерской службой, у нас нет ограничений. Просто сообщите нам об этом. Мы согласуем все условия и отправим заказ с полным комплектом сопутствующей документации.
Как оплатить?
Оплата принимается по безналичному расчету. После согласования заказа мы выставляем счет на оплату. Заказ считается оплаченным после поступления суммы заказа на расчетный счет ООО «Эффективное производство».
Как получить?
География доставки — вся Россия. При перевозке грузы подлежат страхованию. Обычно доставка входит в стоимость продукции.
Приобретая продукцию у нас, вы можете быть уверены, что получаете оригинальное сертифицированное оборудование, комплектующие и оснастку.
На весь представленный ассортимент распространяется гарантия завода-изготовителя. Для каждого конкретного изделия производитель устанавливает определенный гарантийный срок. Обычно он составляет 12-36 месяцев.
Согласно п. 1 ст. 471 Гражданского кодекса РФ гарантийный срок на товар исчисляется с момента фактической передачи его покупателю.
При наступлении гарантийного случая и отсутствии следов некорректной эксплуатации, осуществляется замена неисправного оборудования в соответствии с Законом о защите прав потребителей.
Если утрата функциональности изделия связана с механическими повреждениями, попытками модификации или ремонта, нецелесообразным использованием, то компания ООО «Эффективное производство» не несет за это ответственности, а действие гарантийных обязательств прекращается.
Иногда мы сталкиваемся с ситуацией, когда подлинные запчасти работают некорректно, т.к. нарушена технология их установки. В таком случае наши инженеры удаленно помогают клиентам наладить эксплуатацию.



































